Honda Civic Service Manual: Moonroof Frame/Drain Channel Slider and Cable Assembly Removal and Installation
(4-door)

Removal
| 1. |
Battery Terminal (SRS) - Disconnection |
|

|
|
1.
|
Make sure the ignition switch is in LOCK (0).
|
|
2.
|
Disconnect and isolate the negative cable and battery sensor
(A) from the battery (B).
|
|
NOTE: Always disconnect the negative side first.
|
|
3.
|
Disconnect the positive cable (C) from the battery.
|
|
4.
|
Wait at least 3 minutes before starting work.
|
|
|

|
|
1.
|
Pull out the A-pillar trim (A) to release the clips.
|
|
|

|
|
2.
|
Put a shop towel (A) in the opening between the A-pillar trim
(B) and the dashboard to prevent dropping the A-pillar clips.
|
|
|

|
|
3.
|
Disconnect the connector (A), then remove the A-pillar trim (B).
|
|
NOTE: The upper clip (C) will stay in the body.
|
|
|

|
|
4.
|
Remove the upper clip (A) from the body.
|
|
5.
|
Repeat on the opposite side.
|
|
| 3. |
Front Door Opening Seal As Needed Both |
|

|
|
1.
|
Remove front door opening seal (A) as needed.
|
|
2.
|
Repeat on the opposite side.
|
|
|
llghr
|
|
1.
|
Turn the ceiling light switch OFF.
|
|
2.
|
Carefully pry off the lens (A).
|
|
3.
|
Remove the ceiling light (B).
|
|
4.
|
Disconnect the connector.
|
|
| 5. |
Both Front Door Sill Trims |
|

|
|
1.
|
Driver's side: Remove the cap (A) from the front door sill trim
(B).
|
|
2.
|
Driver's side: Remove the opener lock cylinder (C).
|
|
|

|
|
3.
|
Driver's side: Remove the screw (A).
|
|
|
Driver's side

Passenger's side

|
|
4.
|
Remove both front door sill trims (A).
|
|
| 6. |
Both Rear Door Sill Trims |
|

|
|
1.
|
While pushing down on the rear seat cushion (A), pull the seat
hook handle (B) to release the hook (C).
|
|
2.
|
While pulling up the seat cushion, remove the rear door sill
trim (D).
|
|
3.
|
The left side is shown; repeat on the right side.
|
|
| 7. |
Both Rear Door Opening Seals as Needed |
|

|
|
1.
|
Remove the rear door opening seal (A) as needed.
|
|
2.
|
The left side is shown; repeat on the right side.
|
|
| 8. |
Both B-Pillar Lower Trims |
|

|
|
1.
|
Slide the front seat forward fully.
|
|
2.
|
Remove the B-pillar lower trim (A).
|
|
3.
|
The left side is shown; repeat on the right side.
|
|
| 9. |
Both Front Seat Belt Lower Anchor Bolts |
|

|
|
1.
|
Remove the anchor cover (A).
|
|
2.
|
The driver's seat is shown; repeat on the passenger's seat.
|
|
|

|
|
3.
|
Remove the lower anchor bolt (A).
|
|
4.
|
The driver's seat is shown; repeat on the passenger's seat.
|
|
| 10. |
Both B-Pillar Upper Trims |
|

|
|
1.
|
Remove the bottom area of the B-pillar upper trim (A).
|
|
2.
|
The left side is shown; repeat on the right side.
|
|
|

|
|
3.
|
Remove the upper area of the B-pillar upper trim (A).
|
|
4.
|
The left side is shown; repeat on the right side.
|
|
|

|
|
5.
|
Pass the front seat belt lower anchor (A) out through the hole
in the slider (B), then remove the B-pillar upper trim (C).
|
|
6.
|
The left side is shown; repeat on the right side.
|
|
|

|
|
1.
|
Remove the bolt (A) securing the rear seat cushion (B).
|
|
|

|
|
2.
|
While pushing down the rear seat cushion (A), pull the seat hook
handles (B) to release the hooks (C).
|
|
3.
|
Remove the rear seat cushion.
|
|
| 12. |
Both Rear Seat Side Bolsters |
|

|
|
1.
|
Remove the bolt (A) securing the rear seat side bolster (B).
|
|
2.
|
The left side is shown; repeat on the right side.
|
|
|

|
|
3.
|
Remove the rear seat side bolster (A).
|
|
4.
|
The left side is shown; repeat on the right side.
|
|
|

|
|
1.
|
Pull out the C-pillar trim (A) to release the clips.
|
|
2.
|
Remove the C-pillar trim.
|
|
NOTE: The front clip (B) will stay in the body.
|
|
3.
|
The left side is shown; repeat on the right side.
|
|
|

|
|
4.
|
Remove the front clip (A).
|
|
5.
|
The left side is shown; repeat on the right side.
|
|
| 14. |
Grab Handles for One Vehicle |
|

|
|
1.
|
Lower the grab handle (A).
|
|
2.
|
Insert the tips of the push pin/grab rail cap pliers (B) into
the notch.
|
|
|

|
|
3.
|
Gently squeeze the handles of the push pin/grab rail cap pliers
(A), and pull the cap (B) straight out.
|
|
|

|
|
4.
|
Remove the grab handle (A).
|
|
|
Driver's side

Passenger's side

|
|
1.
|
Pull out both front door opening seals (A) as needed.
|
|
2.
|
Remove both kick panels (B).
|
|
|

|
|
1.
|
Push the hook (A) with a flat-tip screwdriver through the hole
in the front side of the bracket cover (B).
|
|
NOTE: Make sure the hook is unlocked.
|
|
|

|
|
2.
|
While pushing in the hook (A) with a flat-tip screwdriver, release
the sunvisor (B) from the holder (C), and rotate the sunvisor backward
45 °.
|
|
NOTE: Make sure the hook slides into the bracket cover as you
rotate the sunvisor.
|
|
|

|
|
3.
|
Disconnect the connector (A), then remove the sunvisor (B).
|
|
NOTE: If the sunvisor cannot be removed, the hook has not rotated
into the bracket cover. Repeat step 2 to rotate the hook.
|
|
|

|
|
4.
|
If necessary, turn the sunvisor holder (A) 45 ° counterclockwise,
then remove it from the holder grommet (B).
|
|
|

|
|
5.
|
If necessary, remove the holder grommet (A).
|
|
| 17. |
Front Individual Map Light (without moonroof) |
|

|
|
1.
|
Turn the front individual map light switch OFF.
|
|
2.
|
Carefully pry off the lenses (A) with a flat-tip screwdriver.
|
|
3.
|
Disconnect the connector.
|
|
4.
|
Remove the front individual map light (B).
|
|
|
Except K24Z7 engine

|
|
1.
|
Except K24Z7 engine: Lower the shift lever boot (A) to release
the hooks from the boot.
|
|
2.
|
Except K24Z7 engine: Remove the shift lever knob (B).
|
|
|
K24Z7 engine

|
|
3.
|
K24Z7 engine: Lower the shift lever boot (A) to release the hooks
from the boot.
|
|
4.
|
K24Z7 engine: Loosen the shift lever boot ring (B).
|
|
5.
|
K24Z7 engine: Remove the shift lever knob (C).
|
|
6.
|
K24Z7 engine: Remove the shift lever boot ring.
|
|
| 19. |
Center Console Panel Assembly (M/T) |
|

|
|
1.
|
Remove the center console panel (A).
|
|
| 20. |
Center Console Panel Assembly (A/T) |
|

|
|
2.
|
Remove the center console panel (A).
|
|
| 21. |
Cup Holder Panel Assembly |
|

|
|
1.
|
Remove the cup holder panel assembly (A).
|
|
|

|
|
2.
|
Disconnect the connector (B).
|
|
|

|
|
3.
|
Remove the console box mat (A).
|
|
|

|
|
5.
|
Disconnect the connector (A).
|
|
|

|
|
6.
|
Remove the center console (A).
|
|
| 23. |
Center Console Bracket (M/T) |
|

|
|
1.
|
M/T: Remove the center console bracket (A).
|
|
|

|
|
1.
|
Without moonroof: From the driver's A-pillar, detach the harness
clips (A).
|
|
|

|
|
2.
|
Without moonroof: From under the driver's dash, disconnect the
connector (A), and detach the harness clips (B).
|
|
|

|
|
3.
|
From the passenger's A-pillar, disconnect the connector (A),
and detach the harness clips (B).
|
|
|

|
|
4.
|
For some models: Release the glove box stops (A) on each side
of the dashboard.
|
|
|

|
|
5.
|
For some models: From the glove box opening, disconnect the connector
(A), and detach the harness clip (B).
|
|
|

|
|
6.
|
From the right C-pillar, disconnect the connector (A), and detach
the harness clip (B).
|
|
|

|
|
7.
|
From the left C-pillar, disconnect the terminal (A), and remove
the bolt (B), then detach the harness clip (C).
|
|
|
M/T

A/T

|
|
8.
|
Remove the bolts (A) securing the shift lever assembly (B).
|
|
9.
|
Lay the shift lever assembly down as needed.
|
|
|
Without moonroof

With moonroof

|
|
10.
|
Slide the front seat all the way back, and recline the seat-back
fully.
|
|
11.
|
With the help of an assistant, lower the headliner (A).
|
|
|

|
|
12.
|
With the help of an assistant, remove the headliner (A) through
the passenger's front door opening.
|
|
NOTE: Do not bend the headliner. Bending the headliner will crease
and damage it.
|
|
| 25. |
Moonroof Link Cover Both |
|

|
|
2.
|
Remove the moonroof link cover (B).
|
|
3.
|
Repeat on the opposite side.
|
|
|

|
|
2.
|
Repeat on the opposite side.
|
|
|

|
|
3.
|
Remove the moonroof glass (A).
|
|
|

|
|
2.
|
Remove both moonroof wind deflector links (A).
|
|
|

|
|
3.
|
Remove the moonroof wind deflector (A).
|
|
|

|
|
4.
|
Remove both moonroof wind deflector arm bases (A).
|
|
|

|
|
1.
|
Tilt up the glass bracket (A).
|
|
2.
|
Disconnect the drain channel rods (B).
|
|
|

|
|
3.
|
Slide the drain channel (A) forward.
|
|
|

|
|
4.
|
Remove the drain channel (A).
|
|
|

|
|
1.
|
Remove both moonroof sunshade slider spacers (A).
|
|
|

|
|
2.
|
Remove both moonroof sunshade rear hooks (A).
|
|
|

|
|
3.
|
Remove the moonroof sunshade (A).
|
|
|

|
|
4.
|
Remove both front moonroof sunshade base sliders (A) and both
rear moonroof sunshade base sliders (B).
|
|
|

|
|
1.
|
Remove the moonroof motor (A).
|
|
| 31. |
Moonroof Frame (4-door) |
|

|
|
1.
|
Disconnect the moonroof front drain tubes (A) and the moonroof
rear drain tubes (B).
|
|
|

|
|
2.
|
Remove the harness clips (A).
|
|
3.
|
Remove the roof wire harness (B).
|
|
|

|
|
4.
|
Fix the side curtain airbag protector (A) with the tapes (B),
then remove the bolt (C).
|
|
5.
|
Repeat on the opposite side.
|
|
|

|
|
6.
|
Remove the moonroof frame assembly (A).
|
|
|

|
|
1.
|
Remove the moonroof cable assembly (A).
|
|
| 33. |
Moonroof Drain Channel Slider |
|

|
|
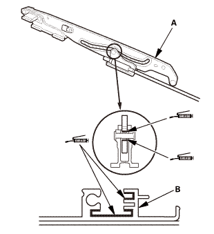
1.
|
Remove the screw (A) and the bolt (B).
|
|
2.
|
Repeat on the opposite side.
|
|
|

|
|
3.
|
Turn both cable tube side brackets (A).
|
|
4.
|
Slide both glass brackets (B).
|
|
5.
|
Slide the moonroof cable assembly (C) half-way back.
|
|
|

|
|
6.
|
Remove both moonroof drain channel sliders (A).
|
|

Installation
| 1. |
Moonroof Drain Channel Slider |
|

|
|
1.
|
Apply multipurpose grease to the glass bracket (A) and the guide
rail area of the frame (B) indicated by the arrows.
|
|
|

|
|
2.
|
Install both moonroof drain channel sliders (A).
|
|
|

|
|
3.
|
Install the moonroof cable assembly (A).
|
|
4.
|
Install both glass brackets (B).
|
|
5.
|
Install both cable tube side brackets (C).
|
|
|

|
|
6.
|
Install the screws (A) and the bolt (B).
|
|
7.
|
Repeat on the opposite side.
|
|
|

|
|
1.
|
Install the moonroof cable assembly (A).
|
|
| 3. |
Moonroof Frame (4-door) |
|

|
|
1.
|
Install the moonroof frame assembly (A).
|
|
|

|
|
3.
|
Repeat on the opposite side.
|
|
|

|
|
4.
|
Install the harness clips (A).
|
|
5.
|
Install the roof wire harness (B).
|
|
|

|
|
6.
|
Connect the moonroof front drain tubes (A) and the moonroof rear
drain tubes (B).
|
|
|

|
|
1.
|
Install the moonroof motor (A).
|
|
|

|
|
1.
|
Install both front moonroof sunshade base sliders (A) and both
rear moonroof sunshade base sliders (B).
|
|
|

|
|
2.
|
Install the moonroof sunshade (A).
|
|
|

|
|
3.
|
Install both moonroof sunshade rear hooks (A).
|
|
|

|
|
4.
|
Install both moonroof sunshade slider spacers (A).
|
|
|

|
|
1.
|
Install the drain channel (A).
|
|
|

|
|
2.
|
Slide the drain channel (A) rearward.
|
|
|

|
|
3.
|
Connect the drain channel rods (A).
|
|
4.
|
Tilt down the glass bracket (B).
|
|
|

|
|
1.
|
Install both moonroof wind deflector arm bases (A).
|
|
|

|
|
2.
|
Install the moonroof wind deflector (A).
|
|
|

|
|
3.
|
Install both moonroof wind deflector links (A).
|
|
|

|
|
1.
|
Install the moonroof glass (A).
|
|
|

|
|
3.
|
Repeat on the opposite side.
|
|
| 9. |
Moonroof Link Cover Both |
|

|
|
1.
|
Install the moonroof link cover (A).
|
|
3.
|
Repeat on the opposite side.
|
|
|

|
|
1.
|
With the help of an assistant, take the headliner (A) in through
the passenger's front door opening.
|
|
NOTE: Do not bend the headliner. Bending the headliner will crease
and damage it.
|
|
|
Without moonroof

With moonroof

|
|
2.
|
With the help of an assistant, install the headliner (A).
|
|
|
M/T

A/T

|
|
3.
|
Install the bolts (A) securing the shift lever assembly (B).
|
|
|

|
|
4.
|
At the left C-pillar, connect the terminal (A), and install the
bolt (B), then install the harness clip (C).
|
|
|

|
|
5.
|
At the right C-pillar, connect the connector (A), and install
the harness clip (B).
|
|
|

|
|
6.
|
For some models: At the glove box opening, connect the connector
(A), and install the harness clip (B).
|
|
|

|
|
7.
|
For some models: Install the glove box stops (A) on each side
of the dashboard.
|
|
|

|
|
8.
|
At the passenger's A-pillar, connect the connector (A), and install
the harness clips (B).
|
|
|

|
|
9.
|
Without moonroof: Under the driver's dash, connect the connector
(A), and install the harness clips (B).
|
|
|

|
|
10.
|
Without moonroof: At the driver's A-pillar, install the harness
clips (A).
|
|
| 11. |
Center Console Bracket (M/T) |
|

|
|
1.
|
M/T: Install the center console bracket (A).
|
|
|

|
|
1.
|
Install the center console (A).
|
|
|

|
|
2.
|
Connect the connector (A).
|
|
|

|
|
3.
|
Install the bolts (A).
|
|
4.
|
Install the console box mat (B).
|
|
|

|
|
5.
|
Connect the connector (A).
|
|
6.
|
Install the bolts (B).
|
|
| 13. |
Cup Holder Panel Assembly |
|

|
|
1.
|
Install the cup holder panel assembly (A).
|
|
| 14. |
Center Console Panel Assembly (A/T) |
|

|
|
1.
|
Install the center console panel (A).
|
|
|

|
|
2.
|
Install the clips (A).
|
|
| 15. |
Center Console Panel Assembly (M/T) |
|

|
|
1.
|
Install the center console panel (A).
|
|
|
Except K24Z7 engine

|
|
1.
|
Except K24Z7 engine: Install the shift lever knob (A).
|
|
NOTE: Tighten the shift lever knob until the shift pattern is
properly aligned.
|
|
2.
|
Except K24Z7 engine: Connect the shift lever boot (B).
|
|
|
K24Z7 engine

|
|
3.
|
K24Z7 engine: Install and turn the shift lever boot ring (A)
until it reaches the bottom of the threads on the shift lever.
|
|
4.
|
K24Z7 engine: Turn the shift lever knob (B) until the shift lever
knob contacts the shift lever boot ring.
|
|
5.
|
K24Z7 engine: Tighten the shift lever boot ring and the shift
lever knob together with the shift pattern properly aligned.
|
|
6.
|
K24Z7 engine: Connect the shift lever boot (C).
|
|
| 17. |
Front Individual Map Light (without moonroof) |
|

|
|
1.
|
Connect the connector.
|
|
2.
|
Install the front individual map light (A).
|
|
3.
|
Carefully install the lenses (B).
|
|
|

|
|
1.
|
Install the holder (A) into the holder grommet (B) by turning
it 45 ° clockwise.
|
|
2.
|
Install the holder and holder grommet as an assembly into the
body by pushing it until the hooks snap into place securely.
|
|
|

|
|
3.
|
Connect the connector (A), and install the sunvisor (B).
|
|
|

|
|
4.
|
While holding the bracket cover (A), rotate the sunvisor (B)
forward until the hook (C) snaps into place.
|
|
5.
|
Gently pull down on the sunvisor to make sure it is properly
secured in the body.
|
|
6.
|
Rotate the sunvisor into the holder (D).
|
|
|
Driver's side

Passenger's side

|
|
1.
|
Install both kick panels (A).
|
|
2.
|
Install both front door opening seals (B) as needed.
|
|
| 20. |
Grab Handles for One Vehicle |
|

|
|
1.
|
Install the clips (A) on the grab handle (B).
|
|
2.
|
Install the caps (C) fully into the clips.
|
|
|

|
|
3.
|
Position the grab handle (A) on the grab handle bracket (B).
|
|
4.
|
Push on the grab handle until the clips (C) snap into place securely.
|
|
|

|
|
1.
|
Install the new front clip (A) to the C-pillar trim (B).
|
|
|

|
|
2.
|
Install the C-pillar trim (A).
|
|
NOTE:
|
|

|
Make sure the side curtain airbag is not tucked
under the clips or the ribs.
|
|
|

|
Do not push too hard on the C-pillar trim. If
you push too hard, the clip will be damaged, and
it will not hold the trim properly.
|
|
|

|
Gently tug on the C-pillar trim to verify that
all clips are securely fastened.
|
|
|
|
3.
|
The left side is shown; repeat on the right side.
|
|
| 22. |
Both Rear Seat Side Bolsters |
|

|
|
1.
|
Install the rear seat side bolster (A).
|
|
2.
|
The left side is shown; repeat on the right side.
|
|
|
mmmmlnss
|
|
3.
|
Install the bolt (A) securing the rear seat side bolster (B).
|
|
4.
|
The left side is shown; repeat on the right side.
|
|
|

|
|
1.
|
Install the hooks (A) to the rear seat cushion clips (B).
|
|
|

|
|
2.
|
Install the bolt (A) securing the rear seat cushion (B).
|
|
| 24. |
Both B-Pillar Upper Trims |
|

|
|
1.
|
Pass the front seat belt lower anchor (A) in through the hole
in the slider (B).
|
|
2.
|
The left side is shown; repeat on the right side.
|
|
|

|
|
3.
|
Install the upper area of the B-pillar upper trim (A).
|
|
4.
|
The left side is shown; repeat on the right side.
|
|
|

|
|
5.
|
Install the bottom area of the B-pillar upper trim (A).
|
|
6.
|
The left side is shown; repeat on the right side.
|
|
| 25. |
Both Front Seat Belt Lower Anchor Bolts |
|
inmm
|
|
1.
|
Install the lower anchor bolt (A).
|
|
2.
|
The driver's seat is shown; repeat on the passenger's seat.
|
|
|

|
|
3.
|
Install the anchor cover (A).
|
|
4.
|
The driver's seat is shown; repeat on the passenger's seat.
|
|
| 26. |
Both B-Pillar Lower Trims |
|

|
|
1.
|
Install the B-pillar lower trim (A).
|
|
2.
|
The left side is shown; repeat on the right side.
|
|
| 27. |
Both Rear Door Opening Seals as Needed |
|

|
|
1.
|
Install the rear door opening seal (A).
|
|
2.
|
The left side is shown; repeat on the right side.
|
|
| 28. |
Both Rear Door Sill Trims |
|

|
|
1.
|
While pulling up the rear seat cushion (A), install the rear
door sill trim (B).
|
|
2.
|
Push down the seat cushion, then install the hook (C) to the
rear seat cushion clip (D).
|
|
3.
|
The left side is shown; repeat on the right side.
|
|
| 29. |
Both Front Door Sill Trims |
|
Driver's side

Passenger's side

|
|
1.
|
Install both front door sill trims (A).
|
|
|

|
|
2.
|
Driver's side: Install the screw (A).
|
|
|

|
|
3.
|
Driver's side: Install the opener lock cylinder (A).
|
|
4.
|
Driver's side: Install the cap (B) to the front door sill trim
(C).
|
|
|
cullingllghr
|
|
1.
|
Connect the connector.
|
|
2.
|
Install the ceiling light (A).
|
|
3.
|
Carefully install the lens (B).
|
|
| 31. |
Front Door Opening Seal as Needed Both |
|

|
|
1.
|
Install front door opening seal (A).
|
|
2.
|
Repeat on the opposite side.
|
|
|

|
|
1.
|
Carefully install the new upper clip (A) to the A-pillar trim
(B).
|
|
|

|
|
2.
|
Connect the connector (A).
|
|
3.
|
Fit the clips into the holes in the A-pillar.
|
|
4.
|
Lightly push the A-pillar trim (B) into place, then install the
trim.
|
|
NOTE:
|
|

|
Make sure the side curtain airbag is not tucked
under the clips or the trim ribs.
|
|
|

|
Do not push too hard on the A-pillar trim. If
you push too hard, the clip will be damaged, and
it will not hold the trim properly.
|
|
|

|
Gently tug on the A-pillar trim to verify that
all clips are securely fastened.
|
|
|
|
5.
|
Repeat on the opposite side.
|
|
| 33. |
Battery Terminal (SRS) - Reconnection |
|
(o.2ao.sam.
|
|
NOTE: If the battery performs abnormally, test the battery.
|
|
1.
|
Clean the battery terminals.
|
|
2.
|
Connect the positive cable (A) to the battery (B).
|
|
NOTE: Always connect the positive side first.
|
|
3.
|
Connect the negative cable and battery sensor (C) to the battery.
|
|
4.
|
Apply multipurpose grease to the terminals to prevent corrosion.
|
|
Removal
1.
Battery Terminal (SRS) - Disconnection
1.
Make sure the ignition switch is in LOCK (0).
...
8141C9
Removal
1.
Moonroof Link Cover Both
1.
Remove the lid (A).
...
See also:
Honda Civic Owners Manual. Setting Up Apple CarPlay
After you have connected your iPhone to the system via the front USB, use the
following procedure to set up Apple CarPlay. Use of Apple CarPlay will result in
the
transmission of certain user and vehicle information (such as vehicle location,
speed,
and status) to your iPhone to enhance the A ...